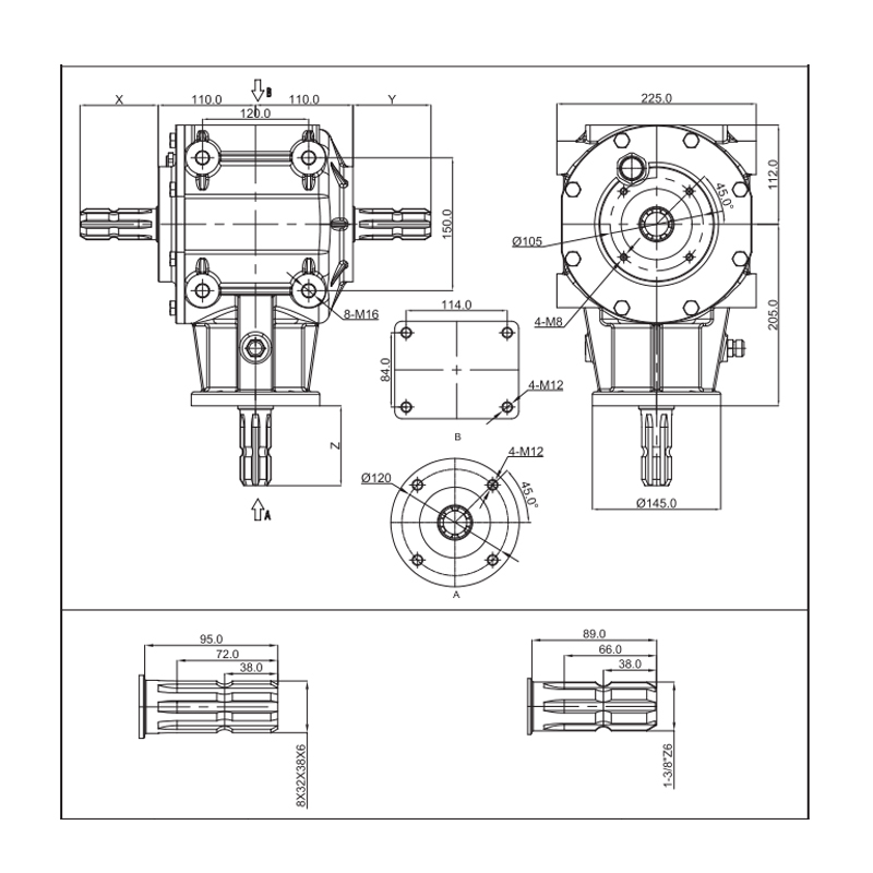
KLF-GC225 are o varietate de raporturi de viteză de transmisie și poate fi adaptat la mai multe tipuri diferite de utilaje și echipamente agricole, care acoperă concasoarele de paie, mașinile de tuns iarba, etc. Grexeasul Gleason Bevel are o precizie ridicată a prelucrării, o precizie ridicată cu împachetare, pierderi mici de transmisie și eficiență de transfer ridicat de energie. Putere maximă 100 CP Acest produs este proiectat cu un singur dispozitiv de ambreiaj atunci când arborele tăietorului se rotește la viteză mare în timpul funcționării. Când opriți munca, tractorul oprește brusc intrarea de putere. INERTIA ALAMENTULUI CUTTER este prea mare, iar ambreiajul unic protejează efectiv angrenajul și arborele de daune.















